工程能力
我们的工程能力覆盖硬件、软件及系统级集成,能够完成从设计、实现到交付的完整工程解决方案。
01 嵌入式系统与控制平台
ESP32 / STM32 / Arduino / Raspberry Pi
驱动开发与底层接口实现
过程控制与运动控制应用
02 工业自动化与工业通信
工业通信协议与现场系统集成
PLC 系统开发(Beckhoff)
Safety PLC 安全控制系统
03 系统级设计与系统集成
跨机械 / 电气 / 软件的系统级方案设计
新系统与客户既有系统的集成、升级与扩展
接口定义、系统边界划分与关键工程权衡决策支持
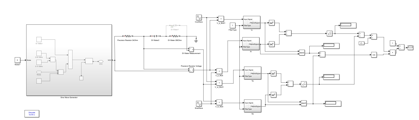
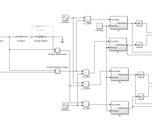
04 系统建模、仿真与测试验证
系统建模与工程仿真
MATLAB / Simulink
LabVIEW 及自动化测试系统
05 硬件设计、原型制造与交付
全流程 PCB 设计(原理图 → 布局)
电子装配、焊接与调试
原型系统集成与实物交付
06 IoT、数据系统与工程软件
IoT 系统架构设计(MQTT / InfluxDB / Node-RED / Grafana)
实时监控、数据可视化与报警
定制工程软件工具(Web HMI / 轻量级应用)
